Магазин запчастей для бытовой техники - Arlos
Москва
close
Выберите ваш регион
АбаканАлександровАльметьевскАнгарскАрзамасАрмавирАртемАрхангельскАстраханьАчинскБалаковоБалашихаБеларусьБелгородБердскБерезникиБийскБлаговещенскБратскБрянскВеликий НовгородВидноеВладивостокВладикавказВладимирВолгоградВолгодонскВолжскийВологдаВолховВоркутаВоронежВоскресенскВыборгГатчинаГеленджикГрозныйДедовскДербентДзержинскДзержинскийДимитровградДмитровДолгопрудныйДомодедовоДонецкЕвпаторияЕгорьевскЕкатеринбургЕлецЕссентукиЖелезногорскЖелезнодорожныйЖуковскийЗеленоградЗлатоустИвановоИвантеевкаИжевскИркутскИстраЙошкар-ОлаКазаньКалининградКалугаКаменск-УральскийКамышинКаспийскКемеровоКерчьКировКисловодскКлинКовровКоломнаКомсомольск-на-АмуреКопейскКоролёвКостромаКотельникиКрасногорскКраснодарКраснознаменскКрасноярскКурганКурскКызылЛенинск-КузнецкийЛипецкЛобняЛыткариноЛюберцыМагнитогорскМайкопМалаховкаМахачкалаМиассМоскваМурманскМуромМытищиНабережные ЧелныНазраньНальчикНаро-ФоминскНахабиноНаходкаНевинномысскНефтекамскНефтеюганскНижневартовскНижнекамскНижний НовгородНижний ТагилНовокузнецкНовокуйбышевскНовомосковскНовороссийскНовосибирскНовоуральскНовочебоксарскНовочеркасскНовошахтинскНовый УренгойНогинскНорильскНоябрьскОбнинскОдинцовоОктябрьскийОмскОрелОренбургОрехово-ЗуевоОрскПавловский ПосадПензаПервоуральскПермьПетрозаводскПетропавловск-КамчатскийПодольскПрокопьевскПсковПушкиноПятигорскРаменскоеРеутовРостов-на-ДонуРубцовскРыбинскРязаньСакиСалаватСамараСанкт-ПетербургСаранскСаратовСевастопольСеверодвинскСеверскСергиев ПосадСерпуховСимферопольСмоленскСосновый БорСочиСтавропольСтарый ОсколСтерлитамакСтупиноСургутСызраньСыктывкарТаганрогТамбовТверьТихвинТольяттиТомилиноТомскТроицкТулаТюменьУлан-УдэУльяновскУссурийскУсть-ИлимскУфаУхтаФеодосияФрязиноХабаровскХанты-МансийскХасавюртХимкиЧебоксарыЧелябинскЧереповецЧеркесскЧеховЧитаШахтыЩелковоЭлектростальЭлистаЭнгельсЮжно-СахалинскЯкутскЯлтаЯрославль
  • - бесплатно по РФ
    Автоперезвон. Работает по принципу: Вы позвонили на номер, мы сбрасываем звонок и перезваниваем через 3 секунды.
  • - по Москве
  • 8 (925) 663-83-63

Call-центр

пн-вс: 10:00-19:00

Генератор бензиновый ЗИГ-1200

Данная модель имеет несколько схем

NАртикулНазваниеСрок отгрузкиЦенаКупить
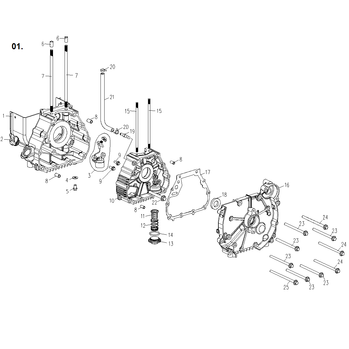
01.01 N000-005-503 Картер коленчатого вала левая часть
01.02 N000-006-032 Пробка маслозаливной горловины 205 р.
01.03 V000-000-494 Датчик уровня масла поплавковый 612 р.
01.06 N000-005-507 Штифт D8x14
01.07 N000-005-508 Шпилька M7x176.5
01.08 N000-005-509 Штифт D8x14
01.10 N000-005-511 Картер коленчатого вала правая часть
01.11 N000-006-040 Фильтр масляный 137 р.
01.12 N000-006-041 Пружина
01.13 N000-006-042 Крышка
01.14 N000-006-043 Кольцо D30.5x3
01.15 N000-006-044 Шпилька 8x185.5
01.16 N000-005-517 Крышка картера коленчатого вала
01.17 N000-006-046 Прокладка крышки правой 340 р.
01.18 N000-005-519 Уплотнение D30xd16.4x5
01.19 N000-006-048 Сальник D30хd19.8х5 341 р.
01.20 N000-005-521 Хомут D11
01.21 N000-006-120 Трубка резиновая
02.01 N000-005-527 Прокладка цилиндра 101 р.
02.02 N000-005-528 Цилиндр 3.051 р.
02.03 N000-005-529 Штифт установочный 8х14
02.04 N000-005-530 Прокладка головки цилиндров 296 р.
02.06 N000-005-532 Головка цилиндра 4.082 р.
02.08 N000-006-062 Колпачок маслосъемный D10.5x4.4x8 221 р.
02.10 N000-005-536 Шайба медная
02.12 N000-005-538 Прокладка крышки головки цилиндров 91 р.
02.13 N000-005-539 Крышка головки цилиндров
02.15 N000-005-541 Крепление распределительного вала
03.01 N000-005-542 Вал коленчатый в сборе 5.621 р.
03.02 N000-005-543 Кольцо фиксирующее пальца поршня
03.03 N000-005-544 Палец поршня
03.04 N000-005-545 Поршень 764 р.
03.05 N000-005-546 Кольцо маслосъемное 1 131 р.
03.06 N000-005-547 Кольцо маслосъемное 2 73 р.
03.07 N000-005-548 Кольцо компрессионное D47 131 р.
03.08 N000-005-549 Кольцо компрессионное D47 160 р.
03.09 N000-006-079 Шпонка
03.10 N000-041-299 Кольца поршневые (Набор) D47
04.01 N000-006-080 Болт натяжения
04.02 N000-005-552 Кольцо уплотнительное D15.2xd1.5
04.03 N000-005-553 Направляющая цепи распределительного вала
04.04 N000-005-554 Цепь распределительного вала 521 р.
04.05 N000-005-555 Натяжитель цепи 386 р.
04.06 N000-005-556 Прокладка регулятора
04.07 N000-005-557 Регулятор натяжителя цепи распределительного вала 401 р.
04.09 N000-005-559 Прокладка D8
04.10 N000-005-560 Прокладка регулятора
04.11 N000-005-561 Клапан выпускной 386 р.
04.12 N000-005-562 Клапан впускной 386 р.
04.13 N000-006-092 Тарелка опорная пружины клапана D16.76 108 р.
04.14 N000-005-564 Пружина клапана D22xh34 101 р.
04.15 N000-006-094 Тарелка опорная 23 р.
04.16 N000-006-095 Сухарик клапана 101 р.
04.17 N000-005-567 Вал распределительный в сборе 3.226 р.
04.18 N000-005-568 Толкатель клапана в сборе 356 р.
04.19 N000-006-093 Пружина клапана D22.5xh36 101 р.
04.21 N000-005-571 Вал толкателя впускного клапана
04.22 N000-005-572 Вал толкателя выпускного клапана
05.01 N000-005-573 Насос масляный в сборе 566 р.
05.02 N000-005-574 Привод маслянного насоса
05.05 N000-005-577 Штифт установочный 8х11
05.07 N000-005-579 Кольцо уплотнительное d9xd1.6
06.01 N000-005-580 Прокладка изолирующая
06.02 N000-005-581 Изолятор
06.03 N000-005-582 Прокладка карбюратора 40 р.
06.04 N000-005-583 Прокладка фильтра 40 р.
06.05 N000-005-584 Фильтр воздушный в сборе
07.01 N000-005-588 Карбюратор в сборе 3.255 р.
08.02 N000-005-590 Втулка
08.03 N000-005-591 Стартер в сборе 831 р.
08.04 N000-005-592 Направляющая воздушная
08.07 N000-005-595 Втулка 529 р.
08.08 N000-006-213 Вентилятор
08.09 N000-005-596 Кожух Б
08.10 N000-005-597 Кожух А
09.01 N000-005-600 Прокладка трубы глушителя 56 р.
09.02 N000-005-601 Труба глушителя
09.04 N000-005-603 Прокладка глушителя
09.05 N000-005-604 Глушитель в сборе 2.038 р.
10.02 N000-005-608 Ротор
10.03 N000-005-609 Статор 7.101 р.
10.06 V000-000-528 Щеточный узел 325 р.
10.07 N000-006-149 Элемент резиновый
10.09 N000-006-151 Свеча зажигания A7RTC 628 р.
10.10 N000-006-152 Магнето d=27.5 L=350 883 р.
11.01 N000-005-616 Крышка топливного бака в сборе 401 р.
11.02 N000-005-617 Уплотнение топливного бака резиновое
11.03 N000-006-154 Фильтр топливный грубой очистки 268 р.
11.04 N000-005-619 Бак топливный
11.05 N000-006-158 Опора топливного бака
11.06 N000-016-607 Фильтр топливный тонкой очистки 45 р.
11.07 N000-016-608 Хомут D11.5
11.08 N000-005-623 Колено
11.09 N000-006-159 Хомут D9
11.10 N000-006-163 Кран топливный ёлочка D5/ёлочка D5 372 р.
11.11 N000-006-166 Ручка топливного крана 181 р.
11.13 N000-005-628 Трубка топливная
11.14 N000-006-167 Насос топливный вакуумный в сборе 1.803 р.
11.17 N000-006-170 Шланг топливный L350 D10/d5
11.19 N000-005-632 Тройник
12.01 N000-006-191 Грузик регулятора
12.02 N000-005-634 Крышка
12.02 N000-005-634-2 Крышка
12.04 N000-005-636 Корпус правая часть
12.06 N000-005-638 Крышка глушителя
12.07 N000-005-639 Накладка крышки глушителя
12.08 N000-005-640 Крышка
12.09 N000-005-641 Корпус левая часть
12.10 N000-005-642 Пластина основания
12.11 N000-005-643 Опора резиновая
13.02 N000-005-648 Промщит шагового двигателя
13.05 N000-045-520 Двигатель шаговый в сборе 851 р.
13.06 N000-006-196 Пружина регулятора
14.02 N000-005-654 Крепление инвертора
14.03 V000-000-406 Инвертор 1.0KW 230V 50Hz V.1 22.401 р.
14.03 V000-000-499 Инвертор 1.0KW 230V 50Hz V.2 23.337 р.
14.04 N000-006-203 Уплотнение крепления инвертора
15.01 N000-005-656 Панель управления
15.04 N000-005-659 Предохранитель 4.5A
15.06 V000-000-408 Регулятор зажигания электронный IC-2500 V000-000-408 для генераторов 1.789 р.
15.08 N000-006-210 Шайба стопорная d5
15.10 V000-000-388 Выключатель 213 р.
15.11 N000-005-663 Розетка T-DC
15.12 N000-005-664 Панель
15.13 V000-000-503 Наклейка
15.15 V000-000-536 Розетка 388 р.
15.17 N000-005-666 Светодиод
15.18 V000-000-391 Выключатель 213 р.
15.19 N000-016-611 Защита выключателя 39 р.
Найдено товаров: 129
1
▲ Наверх
0
8 (925) 663-83-63

Call-центр

пн-вс: 10:00-19:00

НАЙТИ ПО МОДЕЛИ
Введите номер заказа
Введите номер своего заказа, что бы узнать его текущий статус.
Что бы получить доступ к расширенным функциям, пройдите не сложную регистрацию. Зарегистрироваться