Магазин запчастей для бытовой техники - Arlos
Москва
close
Выберите ваш регион
АбаканАлександровАльметьевскАнгарскАрзамасАрмавирАртемАрхангельскАстраханьАчинскБалаковоБалашихаБеларусьБелгородБердскБерезникиБийскБлаговещенскБратскБрянскВеликий НовгородВидноеВладивостокВладикавказВладимирВолгоградВолгодонскВолжскийВологдаВолховВоркутаВоронежВоскресенскВыборгГатчинаГеленджикГрозныйДедовскДербентДзержинскДзержинскийДимитровградДмитровДолгопрудныйДомодедовоДонецкЕвпаторияЕгорьевскЕкатеринбургЕлецЕссентукиЖелезногорскЖелезнодорожныйЖуковскийЗеленоградЗлатоустИвановоИвантеевкаИжевскИркутскИстраЙошкар-ОлаКазаньКалининградКалугаКаменск-УральскийКамышинКаспийскКемеровоКерчьКировКисловодскКлинКовровКоломнаКомсомольск-на-АмуреКопейскКоролёвКостромаКотельникиКрасногорскКраснодарКраснознаменскКрасноярскКурганКурскКызылЛенинск-КузнецкийЛипецкЛобняЛыткариноЛюберцыМагнитогорскМайкопМалаховкаМахачкалаМиассМоскваМурманскМуромМытищиНабережные ЧелныНазраньНальчикНаро-ФоминскНахабиноНаходкаНевинномысскНефтекамскНефтеюганскНижневартовскНижнекамскНижний НовгородНижний ТагилНовокузнецкНовокуйбышевскНовомосковскНовороссийскНовосибирскНовоуральскНовочебоксарскНовочеркасскНовошахтинскНовый УренгойНогинскНорильскНоябрьскОбнинскОдинцовоОктябрьскийОмскОрелОренбургОрехово-ЗуевоОрскПавловский ПосадПензаПервоуральскПермьПетрозаводскПетропавловск-КамчатскийПодольскПрокопьевскПсковПушкиноПятигорскРаменскоеРеутовРостов-на-ДонуРубцовскРыбинскРязаньСакиСалаватСамараСанкт-ПетербургСаранскСаратовСевастопольСеверодвинскСеверскСергиев ПосадСерпуховСимферопольСмоленскСосновый БорСочиСтавропольСтарый ОсколСтерлитамакСтупиноСургутСызраньСыктывкарТаганрогТамбовТверьТихвинТольяттиТомилиноТомскТроицкТулаТюменьУлан-УдэУльяновскУссурийскУсть-ИлимскУфаУхтаФеодосияФрязиноХабаровскХанты-МансийскХасавюртХимкиЧебоксарыЧелябинскЧереповецЧеркесскЧеховЧитаШахтыЩелковоЭлектростальЭлистаЭнгельсЮжно-СахалинскЯкутскЯлтаЯрославль
  • - бесплатно по РФ
    Автоперезвон. Работает по принципу: Вы позвонили на номер, мы сбрасываем звонок и перезваниваем через 3 секунды.
  • - по Москве
  • 8 (925) 663-83-63

Call-центр

пн-вс: 10:00-19:00

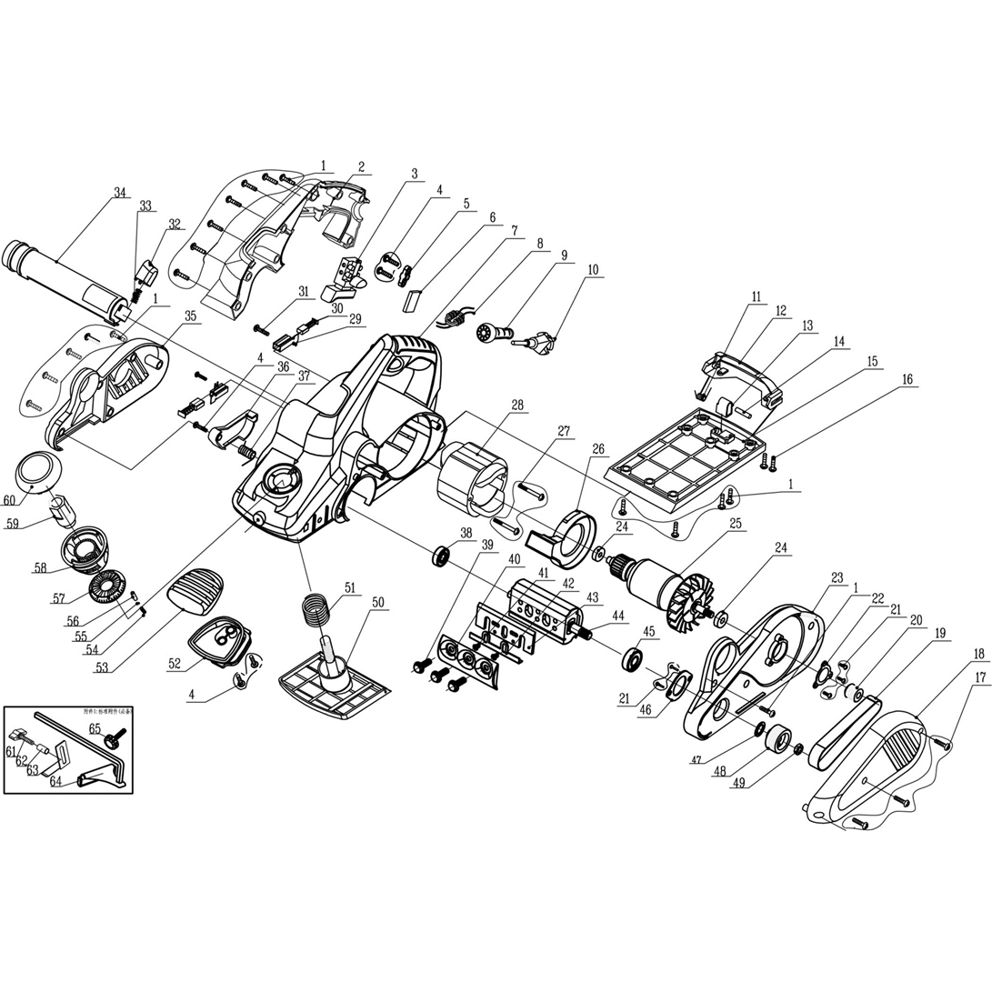
Рубанок электрический ЗР-1100-110

Данная модель имеет несколько схем

NАртикулНазваниеСрок отгрузкиЦенаКупить
T10 U009-600-0RS Подшипник шариковый 6000-2RS (26х10х8) U009-600-0RS для пил ПД-55, ПЦ-2240 306 р.
1 UM02-000-065 Саморез 4x20 92 р.
1.20 U009-608-RS0 Подшипник шариковый 608-2RS (22х8х7) U009-608-RS0 для пил ЗПС-850 Э, ЗПТ-210-1300-Л 306 р.
2 U507-130-002 Ручка правая часть 281 р.
3 U507-130-003 Выключатель FA3-8/2D 8(8)A 250VAC 5E4 461 р.
4 UM02-000-027 Саморез 4x18 PH2 92 р.
5 U253-235-055 Прижим шнура 92 р.
6 U353-110-055 Конденсатор 0.22 мкФ 92 р.
7 U507-130-007 Корпус U507-130-007 для рубанков ЗР-1100-110, ЗР-1300-110 1.545 р.
8 U201-850-095 Катушка индукторная #W
9 U098-004-025 Воротник шнура 92 р.
10 U009-627-RS0 Подшипник шариковый 627 (22х7х7) U009-627-RS0 для ЗШ-1500, ДУ-550 ЭР, ФПК-750 92 р.
10 U099-004-006 Шнур сетевой H05RN-F Rubber 2Gх1мм2 2м 189 р.
11 U507-130-010 Пружина кручения предохранительного упора 195 р.
12 U507-130-011 Накладка корпуса задняя 274 р.
13 U507-130-012 Упор предохранительный 2.561 р.
14 N000-027-710 Штифт 5x19
15 U507-130-013 Платформа задняя 1.014 р.
16 UM01-000-147 Винт M5х12 PH2 25 р.
17 UM02-000-116 Саморез 4х32 PH2
17 U207-710-048 Шарик стальной D2.5 U207-710-048 для ЗР-750-82, ЗДА-18-Ли-КН 84 р.
18 U507-130-017 Крышка левая 204 р.
19 U507-130-018 Ремень поликлиновой L290/ширина12 5ручъев 286 р.
20 U507-130-019 Шкив ведущий 506 р.
22 U507-130-021 Фиксатор подшипника
23 U507-130-023 Промщит 327 р.
25 U507-130-025 Ротор КД U507-130-025 для рубанков ЗР-1100-110, ЗР-1300-110 2.383 р.
26 U507-130-026 Защита статора
28 U507-130-028 Статор 2.940 р.
29 U507-130-030 Щеткодержатель 139 р.
30 U505-200-017-W Щетка графитовая (пара) 6.5х11х19 286 р.
31 UM02-000-017 Саморез 4x11 PH2 #F 92 р.
32 U507-130-033 Стопор патрубка 97 р.
33 U507-130-034 Пружина сжатия цилиндрическая (D=5.5mm dсечен=1mm t=10 L=17mm) 80 р.
34 U507-130-035 Патрубок 155 р.
35 U507-130-037 Крышка правая 386 р.
36 U507-130-039 Кожух пластиковый 232 р.
37 U507-130-040 Пружина кручения защитного кожуха
39 UM03-000-015 Болт M6x29 92 р.
39-44 N000-030-967 Барабан в сборе с ножами 3.370 р.
40 U507-130-043 Прижим ножа 577 р.
42 N000-027-713 Планка защитная
43 ЗРЛ-110 Комплект ножей для рубанка 1.159 р.
44 U507-130-045 Барабан 815 р.
48 U507-130-049 Шкив ведомый 118 р.
49 UM05-000-004 Гайка M8 (запорная) #F 92 р.
50 U507-130-051 Платформа передняя U507-130-051 для ЗР-1100-110, ЗР-1300-110 848 р.
51 U507-130-052 Пружина сжатия цилиндрическая (D=31mm dсечен=3mm t=7 L=70mm)
52 U507-130-058 Ручка передняя нижняя часть 266 р.
53 U507-130-059 Ручка передняя верхняя часть 266 р.
54 U207-710-049 Пружина D9xh22 92 р.
56 U207-710-047 Втулка-наконечник U207-710-047 для рубанков ЗР-750, ЗР-1300-110 92 р.
57 U507-130-063 Шкала регулятора 89 р.
58 U507-130-064 Ручка регулятора нижняя часть
59 U507-130-065 Втулка пластиковая 33 р.
60 U507-130-066 Ручка регулятора верхняя часть 74 р.
65 U507-130-053 Винт-барашек M6х28
66 U507-130-086 Блок плавного пуска 16A 230V~ 1.690 р.
Найдено товаров: 58
1
▲ Наверх
0
8 (925) 663-83-63

Call-центр

пн-вс: 10:00-19:00

НАЙТИ ПО МОДЕЛИ
Введите номер заказа
Введите номер своего заказа, что бы узнать его текущий статус.
Что бы получить доступ к расширенным функциям, пройдите не сложную регистрацию. Зарегистрироваться