Магазин запчастей для бытовой техники - Arlos
Москва
close
Выберите ваш регион
АбаканАлександровАльметьевскАнгарскАрзамасАрмавирАртемАрхангельскАстраханьАчинскБалаковоБалашихаБеларусьБелгородБердскБерезникиБийскБлаговещенскБратскБрянскВеликий НовгородВидноеВладивостокВладикавказВладимирВолгоградВолгодонскВолжскийВологдаВолховВоркутаВоронежВоскресенскВыборгГатчинаГеленджикГрозныйДедовскДербентДзержинскДзержинскийДимитровградДмитровДолгопрудныйДомодедовоДонецкЕвпаторияЕгорьевскЕкатеринбургЕлецЕссентукиЖелезногорскЖелезнодорожныйЖуковскийЗеленоградЗлатоустИвановоИвантеевкаИжевскИркутскИстраЙошкар-ОлаКазаньКалининградКалугаКаменск-УральскийКамышинКаспийскКемеровоКерчьКировКисловодскКлинКовровКоломнаКомсомольск-на-АмуреКопейскКоролёвКостромаКотельникиКрасногорскКраснодарКраснознаменскКрасноярскКурганКурскКызылЛенинск-КузнецкийЛипецкЛобняЛыткариноЛюберцыМагнитогорскМайкопМалаховкаМахачкалаМиассМоскваМурманскМуромМытищиНабережные ЧелныНазраньНальчикНаро-ФоминскНахабиноНаходкаНевинномысскНефтекамскНефтеюганскНижневартовскНижнекамскНижний НовгородНижний ТагилНовокузнецкНовокуйбышевскНовомосковскНовороссийскНовосибирскНовоуральскНовочебоксарскНовочеркасскНовошахтинскНовый УренгойНогинскНорильскНоябрьскОбнинскОдинцовоОктябрьскийОмскОрелОренбургОрехово-ЗуевоОрскПавловский ПосадПензаПервоуральскПермьПетрозаводскПетропавловск-КамчатскийПодольскПрокопьевскПсковПушкиноПятигорскРаменскоеРеутовРостов-на-ДонуРубцовскРыбинскРязаньСакиСалаватСамараСанкт-ПетербургСаранскСаратовСевастопольСеверодвинскСеверскСергиев ПосадСерпуховСимферопольСмоленскСосновый БорСочиСтавропольСтарый ОсколСтерлитамакСтупиноСургутСызраньСыктывкарТаганрогТамбовТверьТихвинТольяттиТомилиноТомскТроицкТулаТюменьУлан-УдэУльяновскУссурийскУсть-ИлимскУфаУхтаФеодосияФрязиноХабаровскХанты-МансийскХасавюртХимкиЧебоксарыЧелябинскЧереповецЧеркесскЧеховЧитаШахтыЩелковоЭлектростальЭлистаЭнгельсЮжно-СахалинскЯкутскЯлтаЯрославль
  • - бесплатно по РФ
    Автоперезвон. Работает по принципу: Вы позвонили на номер, мы сбрасываем звонок и перезваниваем через 3 секунды.
  • - по Москве
  • 8 (925) 663-83-63

Call-центр

пн-вс: 10:00-19:00

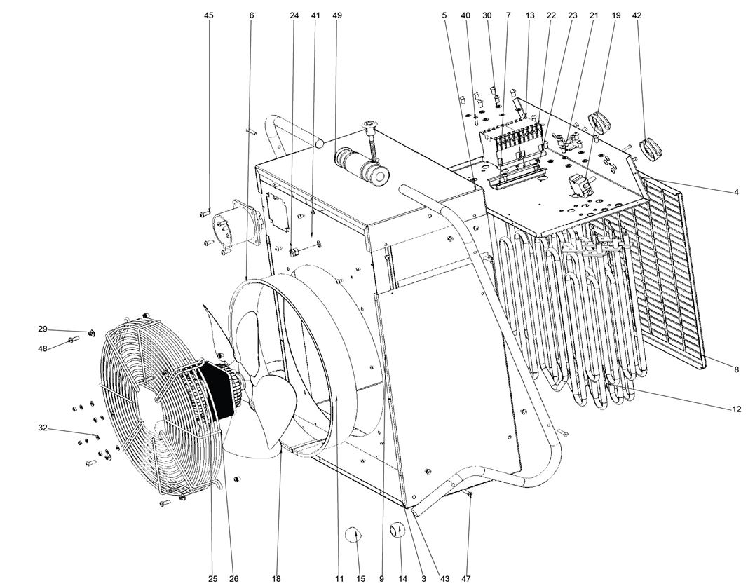
ЗАПЧАСТИ ДЛЯ НАГРЕВАТЕЛЯ ЭЛЕКТРИЧЕСКОГО (ТЕПЛОВЕНТИЛЯТОРА) ELITECH ТВ 15ЕТ

NАртикулНазваниеСрок отгрузкиЦенаКупить
1 1401.090290 Комплект проводов
2 1401.090300 Колодка заземления
3 1401.090310 Корпус
4 1401.090320 Кронштейн
5 1401.090330 Крышка
6 1401.095650 Обечайка
7 1401.090340 Рейка
8 1401.096350 Решетка
9 1401.090355 Стенка
10 1401.090360 Фиксатор ТЭНа
11 1401.090370 Экран трехсторонний
12 1401.090380 ТЭН ST0753-002 2500Вт 1.392 р.
13 1401.090390 Пускатель LC1-D0910. 25А, 220В. ТВ 15ЕТ 2018 1.039 р.
14 1401.090850 Опора
15 1401.090900 Опора промежуточная
16 1401.063900 Вилка сетевая 32А, 380В IP44
17 1401.090420 Кнопка перезапуска (для термостатов) в сборе с толкателем
18 1401.096600 Крыльчатка F300-34 269 р.
19 1401.061900 Переключатель Rotary Switch XK1-233,2-1
21 1401.091850 Термостат KSD 301. 250В, 16A, 50°C, норм. разомкн, FBHL 70 р.
22 1401.092050 Термостат KSD 301-R. 250В, 16А, 90°C, ручн. сброс, FBHL. ТВ 30ЕК 63 р.
23 1401.062000 Термостат WY 40-653-21. 250В, 16A, 0-40°C, капиллярный, регул., L600, 2 конт. ТВ 24ЕКТ 471 р.
24 1401.091250 Зажим провода SB5R-1
25 1401.096800 Эл. двигатель YJF34-00 3.528 р.
26 1401.096700 Решетка защитная
41 1401.096550 Колодка клеммная РА12Н (12 клемм)
42 1401.091050 Рукоятка PP-40И 28 р.
43 1401.090430 Опора (левая)
44 1401.090440 Опора (правая)
49 1401.070500 Ручка резиновая 00000001160: (все Ижевские) 128 р.
Найдено товаров: 30
1
▲ Наверх
0
8 (925) 663-83-63

Call-центр

пн-вс: 10:00-19:00

НАЙТИ ПО МОДЕЛИ
Введите номер заказа
Введите номер своего заказа, что бы узнать его текущий статус.
Что бы получить доступ к расширенным функциям, пройдите не сложную регистрацию. Зарегистрироваться